火炬开发区管委会、翠亨新区管委会,各镇街人民政府(办事处),市各有关单位:
为进一步做好环保共性产业园认定管理工作,我局制定了《中山市生态环境局关于环保共性产业园认定管理办法》,经市司法局合法性审查后,现印发给你们,请认真组织实施。实施过程中如遇到问题,请径向市生态环境局反映。
中山市生态环境局
2022年12月9日
中山市生态环境局关于环保共性产业园认定管理办法
第一条 为进一步规范我市环保共性产业园有序发展,打好污染防治攻坚战,高标准建设一批工艺先进、配套完善、清洁生产水平高、示范能力强的环保共性产业园,特制定本办法。
第二条 本办法规定了中山市环保共性产业园认定流程与条件,明确了环保共性产业园认定后的环境管理要求。
环保共性产业园:通过将同一产业或同一地区企业生产加工或设计等的某一个或某几个特定产污环节聚集,或提供集中式环境污染治理设施配套服务,实现集中生产、集中设计、集中治污、集中供热等,同时配套产业链上下游企业,形成产业聚集发展的产业生态圈,最终实现产城融合。
第三条 市生态环境局成立环保共性产业园认定管理工作小组,负责环保共性产业园认定以及认定后的环境管理工作。各镇街人民政府协助开展环保共性产业园认定以及管理工作。
第四条 环保共性产业园的认定分两种情形:第一种情形为环保共性产业园预评价认定申请(以下简称“蓝牌”申请),申请节点为拟申请认定为环保共性产业园的园区已完成建设,公共配套设施已建成,蓝牌有效期原则上为3年,期满不续期。第二种情形为环保共性产业园认定申请(以下简称“绿牌”申请),申请节点为拟申请认定为环保共性产业园的园区已完成建设并投入运行,公共配套设施已建成,公共配套的污染防治措施已通过竣工环境保护验收,绿牌有效期原则上为3年,有效期满前向市生态环境局提交续期申请,逾期未申请的需重新认定。
第五条 蓝牌申请应满足以下条件:
(一)基本要求
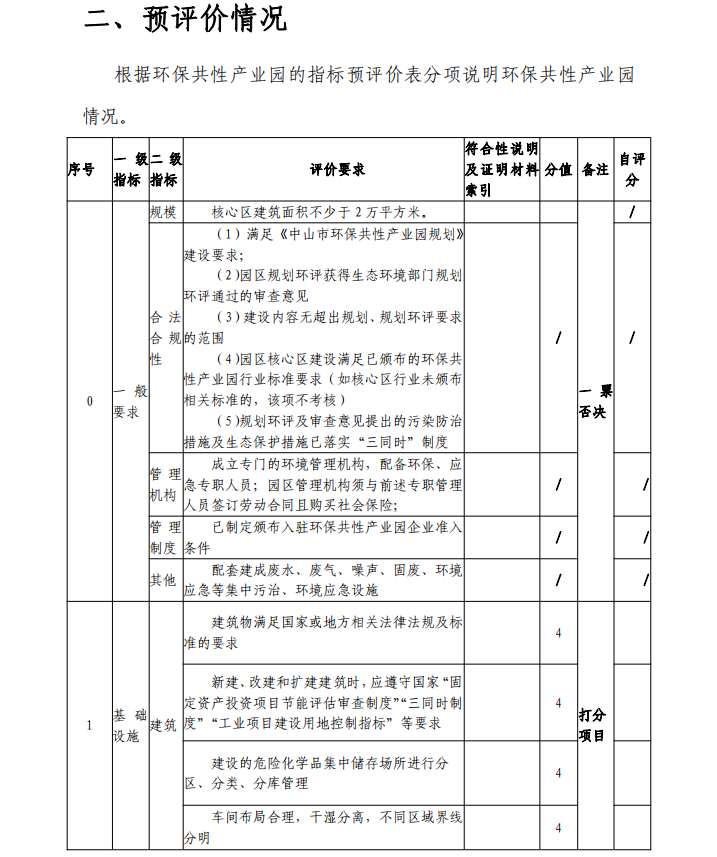
1.园区建设符合《中山市环保共性产业园规划》建设要求;
2.园区规划环评获得生态环境部门规划环评通过的审查意见;
3.建设内容无超出园区规划、规划环评要求的范围;
4.园区核心区建设满足已颁布的环保共性产业园行业标准要求(如核心区行业未颁布相关标准的,该项不考核);
5.规划环评及审查意见提出的污染防治措施及生态保护措施已落实“三同时”制度;
6.已制定颁布入驻环保共性产业园企业准入条件。
(二)基础设施
配套的供水、供电、供汽、供热、排水等设施已建成。
(三)管理体系
1.设置园区管理机构,配备环保、应急等类型专职管理人员;园区管理机构须与前述专职管理人员签订劳动合同且购买社会保险;
2.已建立完整的环境管理制度;
3.配备智能计量器具及园区综合管理平台,满足园区内企业用水、用电数据实时采集及综合分析能力。
(四)需符合的其它条件。
第六条 符合蓝牌申请条件的园区,其建设单位向所在镇街人民政府提出申请。各镇街人民政府按照申报条件对申请材料进行初审并出具意见。建设单位将申请材料连同镇街人民政府出具的意见一并报市生态环境局;提交申请材料至少应包括:
(一)XX园区关于申请环保共性产业园预评价认定的函;
(二)镇街人民政府意见(加盖镇街人民政府公章);
(三)预评估认定申请报告及应提供相应佐证材料。
第七条 绿牌申请应满足以下条件:
(一)基本要求
1.园区建设符合《中山市环保共性产业园规划》建设要求;
2.建设内容、产业定位无超出园区规划、规划环评要求的范围;
3.园区规划环评及审查意见提出的污染防治措施及生态保护措施已落实,污染物稳定达标排放;
4.园区核心区建设满足已颁布的环保共性产业园行业标准要求(如核心区行业未颁布相关标准的,该项不考核);
5.园区公共配套的污染防治措施已通过竣工环境保护验收;
6.园区企业合法合规经营,申报日上溯一年内未因环境违法行为受到行政处罚;
7.园区管理规范,申报日上溯一年内园区及园区内任一企业未发生重大及以上突发环境事件。
(二)基础设施
配套的供水、供电、供汽、供热、排水、污染防治措施及应急设施已建成并正常运行。
(三)管理体系
1.设置园区管理机构,配备环保、应急等类型专职管理人员,其中生态环境保护专业技术职称技术人员不少于3人;园区管理机构须与前述专职管理人员签订劳动合同且购买社会保险;
2.已建立并有效执行的环境管理制度;
3.配备的智能计量器具及园区综合管理平台正常运作,满足园区内企业用水、用电数据实时采集及综合分析能力。
(四)需符合的其它条件。
第八条 符合绿牌申请条件的园区,其建设单位向所在镇街人民政府提出申请,各镇街人民政府按照申请条件对申请材料进行初审并出具意见。建设单位将申请材料连同镇街人民政府出具的意见一并报送至市生态环境局;申请材料至少应包括:
(一)XX园区关于申请环保共性产业园预评价认定的函;
(二)镇街人民政府意见(加盖镇街人民政府公章);
(三)认定申请报告及应提供相应佐证材料。
第九条 市生态环境局对各镇街推荐园区的申请材料进行审核,审核工作自收到申请材料之日起10个工作日内完成。重点审核材料的完整性、环保共性产业园在规划、准入等内容的落实情况,以及园区运行管理情况。
第十条 园区申请材料齐全、符合中山市环保共性产业园规划的,市生态环境局组织或者委托第三方机构组织专家评审;专家对照蓝牌、绿牌评价指标体系进行打分,出具专家评审意见。
不存在一票否决项,且评分达到80分及以上的,作为拟认定环保共性产业园的名单。
第十一条 市生态环境局根据认定材料,结合专家意见,开展审议工作;审议结果在市生态环境局政务网公示5个工作日,公示后结果报局务会议审议,审议通过后,对申请作如下处理:公示无异议的,出具通过认定意见、授牌;公示期间有异议的,分情形进行处理:
(1)反映的问题经查证不属实或与共性产业园认定条件无关的,出具通过认定意见,授牌;
(2)反映的问题经查证属实的,出具不通过认定的意见。
认定期间如环保共性产业园或园区内任一企业存在涉嫌环境违法行为的,暂缓认定工作。
第十二条 通过认定的环保共性产业园,在生态环境专项资金申请及分配方面予以优先考虑。
第十三条 获得“绿牌”的环保共性产业园,建设单位在“绿牌”有效期满前3个月将本次有效期时段的环境管理状况报送市生态环境局,同时抄送所在镇街人民政府,如建设单位未在前述期限内提交延期申请的,视为建设单位放弃“绿牌”延期。
第十四条 环保共性产业园投资主体、管理机构、法定代表人或主要负责人发生变化的,建设单位应在工商登记核准变更之日起1个月内将变更情况向市生态环境局报备,同时抄送给所在镇街生态环境保护部门。
第十五条 环保共性产业园在运行过程中发生以下情况之一的,市生态环境局有权撤销认定:
(1)出现重大环境问题,受到国家、省或者市委、市政府约谈、通报批评的;
(2)存在中央或省环境保护督察反馈重点环境问题,未在规定限期内解决的;
(3)因环境问题被上级部门实施限批、挂牌督办的;
(4)未按照园区规划环评要求、园区准入条件引进建设项目的;
(5)1个日历年内园区以及园区内企业因环境违法行为受到行政处罚合计2次及以上的;
(6)发生重大及以上的突发环境事件的;
(7)符合其他撤销认定规定的。
第十六条 环保共性产业园撤销认定后,整改完成并稳定运行1年后,方可重新提出申请。
第十七条 共性工厂认定参照本办法执行。
第十八条 本办法由市生态环境局负责解释,如本办法中的条款与法律、法规和规章相抵触,按现行法律法规和规章执行。
第十九条 本办法自发文之日起实施,有效期5年。
附件:1.申请函(模板)
2.环保共性产业园预评价认定(蓝牌)申请报告(模板)
3.环保共性产业园认定(绿牌)申请报告(模板)
4.中山市环保共性产业园环境管理评估报告(模板)




















